语言/Language
简体中文
繁体中文
English
简体中文
繁体中文
English
科瑞美光电
公司介绍
新进设备
公司愿景
发展历程
经营理念
企业文化
产品中心
CREE芯片封装LED
进口品牌代理
cree
首尔LED
欧司朗
LED器件
直插LED
贴片/大功率LED
集成/倒装COB
UV紫光LED
深紫外光LED
365NM波长紫光LED
365-420NM长波紫光LED
LED照明灯具
工程照明用灯具
商业照明LED灯具
家居LED照明灯具
技术支持
质量方针
客户利益
照明
LED知识
可靠性测试
新闻中心
科瑞美新闻
行业资讯
产品动态
市场活动
工作机会
员工发展
薪酬福利
人才需求
联络我们
销售网络
合作伙伴
常见问题及解答
证书与专利
产品中心
CREE芯片封装LED
进口品牌代理
cree
首尔LED
欧司朗
LED器件
直插LED
贴片/大功率LED
集成/倒装COB
UV紫光LED
深紫外光LED
365NM波长紫光LED
365-420NM长波紫光LED
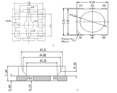
5051贴片式大功率LED
尺寸:5.0*5.1*1.5MM
5051贴片式大功率LED产品特征:
☆采用台湾名厂生产支架,尺寸5.0*5.1*1.5MM
☆采用台湾或CREE原厂芯片封装生产
☆高光效,可达120LM/W以上
☆3000小时光衰测试无衰减
☆球泡灯、筒灯、天花灯、灯管、灯条,室内照明、
☆商业照明、亮化工程、特种照明等。
规格书
测试报告
应用手册
下载:
5051贴片式大功率LED
产品型号
功率
色温/波长
正向电流
正向电压
光通量/光强(mcd)
显色指数
角度
Part No.
Power(W)
CCT(K)/NM
MA
VF
Lum inous Flux(LM)
CRI
(°)
Min
typ
5051白光/暧白
0.5W
2700-3500
150
3.0-3.6
45-55
>70
--
3500-5000
150
3.0-3.6
50-60
>70
--
5000-7000
150
3.0-3.6
50-60
>70
--
--
150
3.0-3.6
--
>70
--
5051白光/暧白
1W
2700-3500
350
3.0-3.6
95-115
>70
--
3500-5000
350
3.0-3.6
100-120
>70
--
5000-7000
350
3.0-3.6
100-120
>70
--
--
350
3.0-3.6
--
>70
--
一键拨叫
地图导航